SparePartsFinder
HQV

  • Usage list
  • Selected Items 1
[Reset]
  • Search


FX 350 2018 <2018><US><F2201R6>
 Show Image Switch To Frame

@Nr@Name  
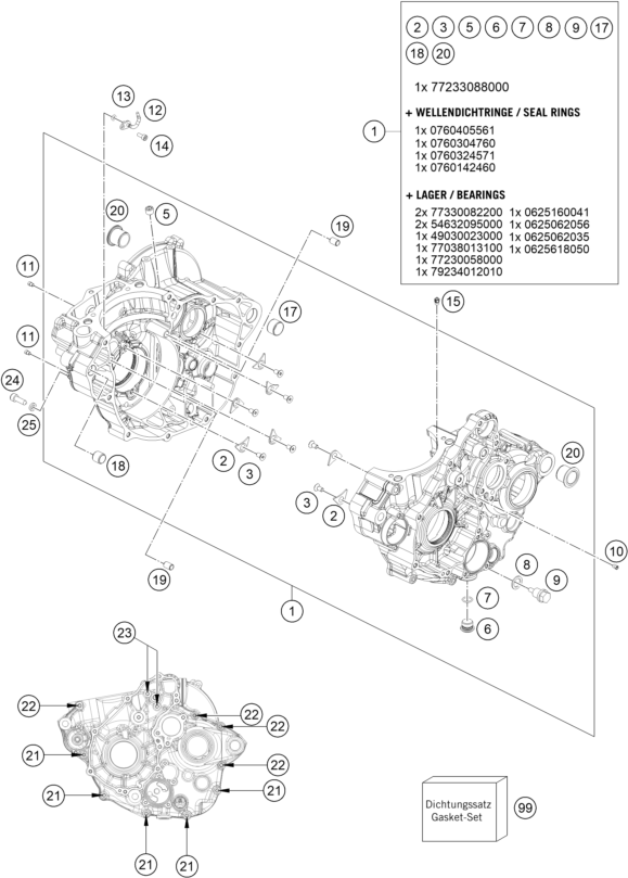
30ENGINE CASE
30CLUTCH COVER
30BALANCER SHAFT
30CYLINDER
30CRANKSHAFT, PISTON
32CLUTCH
33TRANSMISSION I - MAIN SHAFT
33TRANSMISSION II - COUNTERSHAFT
34SHIFTING MECHANISM
35WATER PUMP
35COOLING SYSTEM
36VALVE DRIVE
36TIMING DRIVE
36CYLINDER HEAD
38LUBRICATING SYSTEM
39IGNITION SYSTEM
40ELECTRIC STARTER
41THROTTLE BODY
FX 350                              2018


Imprint
Privacy policy

Build: 1.0.0.0    Date: 3/31/2026 11:37:08 AM