SparePartsFinder
HQV

  • Usage list
  • Selected Items 1
[Reset]
  • Search


SVARTPILEN 250 2024 <2024><ASEAN><F1288X6>
 Show Image Switch To Engine

@Nr@Name  
01FRONT FORK, TRIPLE CLAMP
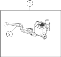
02HANDLEBAR, CONTROLS
03FRAME
03FOOTPEGS
03SIDE / CENTER STAND
04SHOCK ABSORBER
04SWING ARM
05EXHAUST SYSTEM
06AIR FILTER
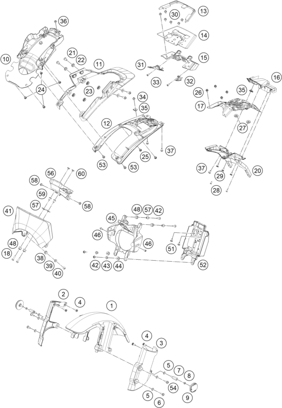
07TANK, SEAT
07FUEL PUMP
08MASK, FENDERS
08COVER
09FRONT WHEEL
10REAR WHEEL
11WIRING HARNESS
11BATTERY
13FRONT BRAKE CONTROL
13REAR BRAKE CONTROL
13FRONT BRAKE CALIPER
13REAR BRAKE CALIPER
14LIGHTING SYSTEM
14INSTRUMENTS / LOCK SYSTEM
15EVAPORATIVE CANISTER
42ABS
SVARTPILEN 250                      2024


Imprint
Privacy policy

Build: 1.0.0.0    Date: 3/31/2026 11:37:08 AM